首页 | 新闻中心 | 解决方案 | 产品分类 | 联系我们
威视首页 品牌优势 产品展示 铭扬威视 服务中心 下载中心 联系我们
  VIEWSECCTV智慧家居  
智能家居主控(网关)
智能门锁
智能窗帘/智能窗
电器控制类/音乐
智能情景开关/智能触摸开关
智能插座
智能摄像机/硬盘录像机
智能探测类
智能物联
LED灯/人体感应灯
 
  云视频110报警系统  
110报警软件/服务器/平台服务
音视频联网报警摄像机
商铺联网报警主机
探测器
配件
 
  VIEWSECCTV监控系统  
网络摄像机
模拟摄像机
高速球
网络硬盘录像机
嵌入式硬盘录像机
周边产品
显示设备
平台软件
 
  2014威视/恒亿产品  
2014网络高清摄像机
2014网络高清硬盘录像机
2014网络高清处理设备
2014网络高清平台系统
2014模拟高清摄像机
2014模拟硬盘录像机
2014 960H智能高清混合系列
2014显示设备
2014周边设备
 
  2010-2013威视/恒亿产品
新品推荐
2013威视(VIEWSE)高清网络摄像机
2013威视(VIEWSE)产品系列
2012威视(VIEWSE)高清摄像机
2012威视(VIEWSE)产品系列
恒亿嵌入式硬盘录像机
恒亿电子(Higheasy)产品
CCTV周边产品
2011威视(VIEWSE)产品系列
2010威视产品系列
人脸检测识别产品系列
明景电子(MINKING)产品
 
  产品详细资料   
 
 2014模拟高清摄像机 >> 高速球 >> 红外高速球机VC-BJ49IR
  
产品名称:

产品型号:

产品类别:
红外高速球机VC-BJ49IR

VC-BJ49IR

2014模拟高清摄像机---高速球

产品备注:

红外高速球机VC-BJ49IR,1、七寸全金属结构,防水等级IP67; 2、OSD菜单;支持多国语言; 3、VC超强降噪系统。 4、独创红外灯控制技术:PWM控制; 5、第三代高效红外技术。 6、威视智能调光系统,防光场分布均匀
 
  产品技术参数说明
 
1、七寸全金属结构,防水等级IP67;
2、OSD菜单;支持多国语言;
3、VC超强降噪系统。
4、独创红外灯控制技术:PWM控制;
5、第三代高效红外技术。
6、威视智能调光系统,防光场分布均匀,无“手电筒”现象,红外有效距离可达150米;
7、威视专利反光\滤光技术,智能温控系统,低温自动加热,高温强效散热。
8、HN云报警系统接口,更适结合报警系统。
9、移动侦测报警功能,四进二出报警联动(可选)
10、3D定位功能(点击放大),通过软件支持可实现球机的屏幕坐标定位和局部放大
11、专利恒流源系统,有效防电压

产品型号 VC-BJ49IR
通信协议 自动识别(PELCO_D/P),支持HTS\MG等协议
通信波特率 软/硬波特率1200bps/2400bps/4800bps/9600bps)
球机地址 硬地址1~255 ,软地址00~250(000时硬地址有效)
水平旋转速度 200º/s(1-64级变速)
垂直旋转速度 100º/s(1-64级变速)
旋转范围 水平360º、垂直90º
自动翻转功能 二级分段控制(一级水平180º,二级垂直90º)
360º巡航速度 1-64级变速
A-B两点扫描位置 任意设定
A-B两点扫描速度 1-64级变速
预置位停留时间 5-60秒(可编辑)
预置位运行速度 1-64级可调
花样扫描 4路径,每条科记录512条指令,或最长15分钟的操作
预置位数量 220个
巡视组数量 3组(16点独立编辑停留位与停留时间)
支持一体机 自动识别SONY、三星、LG、CNB、国产;
红外灯 6颗∮22,5颗∮16(PWM控制)
供电电源 交/直流自适应(15V ~ 28V) 标配为AC24V3A电源
上电模式 断电记忆/360°扫描/两点扫描/预置位巡航组1/预置位1-8
环境温度 室内(0ºC~+40ºC) 室外(-40℃~+60℃)
功率消耗 ≤20W
球机菜单 支持多国语言(P/N制自定义)
温度控制 温控开关控制,自动恒温
防雷 瞬间6000V
数据复位 恢复出厂值/清除预置位/像机数据复位
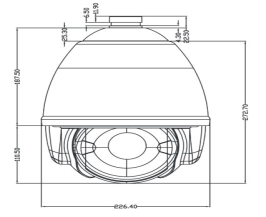
尺寸/重量 31*31*42CM/3.9KG(净重)7.1KG(毛重)

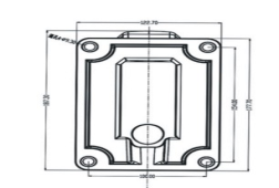
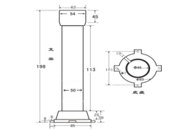
球机尺寸与支架尺寸

 
点击数:1148  录入时间:2014-9-17 【打印此页】 【关闭
关于我们
公司简介
品牌荣誉
新闻中心
 
威视电子智慧家居
智能家居主控(网关)
智能门锁
智能窗帘/智能窗
 
威视电子监控系统
网络摄像机
模拟摄像机
网络硬盘录像机
 
服务中心
解决方案
常见问题
成功案例
 
联系我们
品牌优势
产品优势
联系我们
 
联系我们 | 隐私保护 | 法律声明 | 产品分类 | 版权所有(C) 2014 - 2020 深圳铭扬威视电子有限公司 版权所有 粤ICP备09043499号-1